软件版本:5.8.1
问题描述:经过dicompatcher之后数据能够加载进database,但是不能正常读取显示,日志提醒是reference image in series does not contain geometry information. 文件目录和完整路径均为英文,不包含中文和空格
可以提供数据给我进行测试,直接上传到本帖即可,我下载后删除,或发站内邮件给我。
从您截图的日志判断,错误链清晰地显示了典型的 DICOM 几何信息缺失问题:
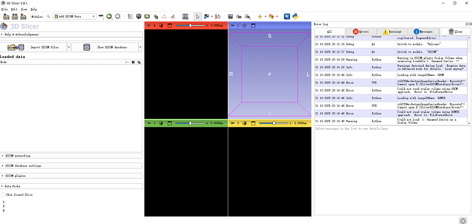
Warning in DICOM plugin Scalar Volume when examining loadable 1: Unnamed Series:
Reference image in series does not contain geometry information
Could not load: 1: Unnamed Series as a Scalar Volume
Error is: FileFormatError
这说明 3D Slicer 在用 GDCM/DCMTK 两种方式尝试读取时都失败了,根本原因是:
一、错误核心含义
“Reference image in series does not contain geometry information”
表示:序列中被选作参考帧(通常是第一张)缺少几何标签(orientation/position/spacing 等),Slicer 无法建立三维体素坐标。
二、结合您截图的线索
-
Series 共有 2320 张影像(Size = 2320);
-
DICOM Patcher 已运行过;
-
“Scalar Volume reader” 尝试加载;
-
报错来自 GDCM 和 DCMTK 两种 I/O 库都失败 → 文件格式本身问题。
这通常意味着:
-
序列里混入了某些非影像实例(SR/SC/PR);
-
或首张图像 缺少关键 DICOM 几何字段;
-
或影像是多帧(Enhanced)但 Slicer 版本/插件未正确解析 Per-frame Functional Groups。
三、常见丢失字段(任何缺失一项都会触发)
| DICOM Tag | 作用 | 缺失后结果 |
|---|---|---|
| (0020,0037) Image Orientation (Patient) | 定义切片方向 | 无法确定体素旋转 |
| (0020,0032) Image Position (Patient) | 定义切片原点 | 无法放置坐标 |
| (0028,0030) Pixel Spacing | 像素间距 | 无法建立比例 |
| (0020,0052) Frame of Reference UID | 空间参考系 | 多序列对齐失败 |
四、快速验证与修复建议
-
查看第一张 DICOM 文件标签
-
在 Slicer DICOM browser → 右键 → “Show DICOM metadata”;
-
若首张缺上述字段,而后续帧正常 → 删除该首帧后重新导入。
-
-
检查是否混入非影像对象
- 若同一 SeriesInstanceUID 内既有 CT/MR Image 又有 SR/SC → 用 dcm2niix 或 DicomBrowser 按 SOP Class 拆分。
-
尝试命令行转换
dcm2niix -o out_dir your_dicom_folder- 若 dcm2niix 能成功生成 NIfTI 且可在 Slicer 中显示,则问题确实是序列组织不规范。
-
再次 DICOM Patcher
-
仅保留纯影像帧后再运行;
-
或在 Advanced 模式 → 勾选 “copy missing Image Orientation/Position from neighbors” 等选项(某些 Slicer 构建里可用)。
-
-
多帧 (Enhanced) 情况
- 若该 Series 是一份单 .dcm 多帧 文件 → 使用 “DICOM to NIfTI Converter” 或 “dcm2niix” 解包成单帧再导入。
五、简要结论
您的错误是由于“参考帧缺乏几何标签”或“序列首帧为非影像”引起,非路径、非编码、非名称问题。
解决方案:
-
用 DICOM 浏览器或 dcm2niix 查出异常首帧并删除;
-
保留纯影像帧后重新导入;
-
若仍不行,用 dcm2niix 转 NIfTI 再加载验证。
-



